全国服务热线

400-990-5009

新闻动态
News Trends

联系天弼
Contact Tian bi

广东天弼陶瓷有限公司
TIANBI CERAMICS CO.,LTD

  • 营销中心:佛山市禅城区季华一路28号智慧新城T10座6楼
  • 电话:400-990-5009
  • 传真:0757-82566995
  • 邮箱:tianbi2017@126.com
  • 邮编:528000
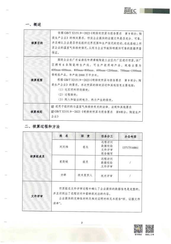
  • 生产基地:广东省清远市源潭陶瓷工业城
  • 电话:0763-3298988
  • 传真:0763-3256633
  • 邮编:511533
企业新闻/Enterprise News

你当前的位置 > 天弼首页 > 新闻动态 > 所有新闻

2024年度温室气体排放核算报告

发布时间:2025-05-09 浏览次数:5063

了解更多+

工厂实景展示 / Engineering case